A bolti kiszolgálás ezen a héten szünetel, az online leadott rendelések átvétele zavartalan.

Telefonos ügyfélszolgálatunk fokozottan leterhelt, kérjük ha teheti érdeklődjön e-mail útján. KÉRDÉSE VAN? Tegye fel ITT! »
szivattyuk.hu
Kategóriák
szivattyuk.hu
  • Kategóriák
    • Gyártók és Márkák 32363
    • Ásott Kút Szivattyú 100
    • Benzinmotoros Szivattyú 14
    • Búvárszivattyú 1698
    • Házi Vízmű 244
    • Házkörüli szivattyú 357
    • Inverteres szivattyú 18
    • Ipari szivattyú 17173
    • Kerti Önfelszívó Szivattyú 452
    • Keringető Szivattyú 1783
    • Medence Vízforgató 86
    • Szennyvíz szivattyú 2385
    • Tartozék, Alkatrész 1160
  • AKCIÓ!
  • Blog
  • Online Ügyfélszolgálat
  • Meghibásodás esetén
EBARA 2CDX/I 70/15
EBARA 2CDX/I 70/15
293 500 Ft
  1. EBARA 2CDX
  1. Gyártók és Márkák
  2. EBARA
  3. EBARA 2CDX

EBARA 2CDX/I 70/15

Cikkszám: 
EBR16111500041
EBARA 2CDX/I 70/15
EBARA 2CDX/I 70/15
EBARA 2CDX/I 70/15
EBARA 2CDX/I 70/15
EBARA 2CDX/I 70/15
EBARA 2CDX/I 70/15
Várható szállítási határidő: 2-15 nap
293 500 Ft

Legyen Öné ez a kiváló minőségű EBARA centrifugál szivattyú

Tápfeszültség:
400 V
Szállítókapacitás:
80 l/min
Emelőmagasság:
56 m
Teljesítmény:
1 100 W
Csatlakozó (nyomóoldali):
1"
Csatlakozó (szívóoldali):
1 ¼”
Folyadék hőmérséklet:
-5 °C és +120 °C között
Hasonló kategória:
EBARA Ipari szivattyú Centrifugál Szivattyú Tisztavíz Szivattyú
Várható szállítási határidő: 2-15 nap
  • Termékleírás
  • Adatok
  • Vélemények
  • Miért érdemes tőlünk vásárolni?
Termékleírás

EBARA 2CDX/I 70/15 termékleírás

Kompakt erőgép rozsdamentes kivitelben

Az EBARA 2CDX/I 70/15 egy iker-járókerekes centrifugálszivattyú, amely kiváló teljesítményével és korrózióállóságával ideális választás háztartási, ipari vagy mezőgazdasági alkalmazásokhoz. A rozsdamentes acélból készült hidraulika és a precíziós hidroformázási eljárással előállított komponensek gondoskodnak a hosszú élettartamról és a megbízható működésről. A dupla járókerék szélesebb teljesítménytartományt biztosít az egyjárókerekes modellekhez képest.

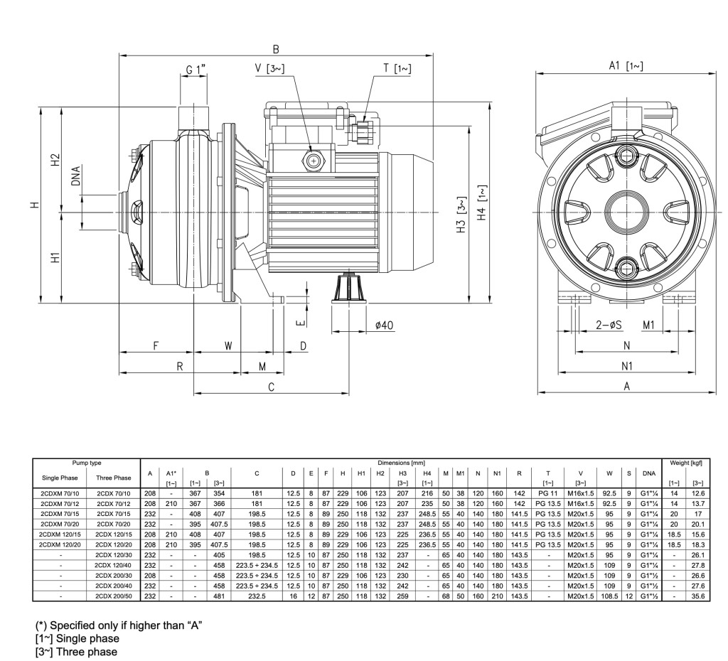
EBARA 2CDX/I 70/15 műszaki információk

A szivattyú hidraulikus részei AISI 304 rozsdamentes acélból készülnek, míg az „L” változat esetén AISI 316L anyag biztosít még nagyobb korrózióállóságot. A hidroformázási eljárás révén a ház hegesztésmentes, sima felületű, amely csökkenti a szivárgást és növeli a hatékonyságot. A szivattyú maximális üzemi nyomása 8 bar, a szállított folyadék hőmérséklete verziótól függően akár +90°C is lehet. A motor IP55 védettségű, F szigetelési osztályú, és háromfázisú (3~230/400V) vagy egyfázisú (1~230V) kivitelben is elérhető. 1,5 kW teljesítményig alumínium, afölött öntöttvasmotorházzal készül. A választható mechanikus tömítések lehetővé teszik a szivattyú testreszabását a környezethez és a feladathoz.

EBARA 2CDX/I 70/15 alkalmazása

Az EBARA 2CDX/I 70/15 ideális választás háztartási nyomásfokozásra, kerti öntözésre, mosóberendezések vízellátására, valamint vízkezelő rendszerekben, hűtőtornyokban és egyéb tiszta víz szállítási feladatokra ipari és mezőgazdasági környezetben. Kompakt mérete lehetővé teszi a szűk helyeken történő beépítést is.

A gyártóról – EBARA: Minőség és innováció

A csaknem 100 éve alapított EBARA a folyadékszállítási megoldások vezető szereplője. Az EBARA 2CDX sorozat a vállalat magas minőségi követelményeit és korszerű gyártástechnológiáját ötvözi, amely biztosítja a megbízható és tartós működést mind háztartási, mind ipari felhasználás esetén.

Adatok
Szivattyúház anyaga:
1.4301 (AISI 304)
Tengely anyaga:
1.4301 (AISI 304)
Tengelytömítés:
Szén – kerámia – NBR
Tömeg:
17,8 kg/db
Vélemények
Legyen Ön az első, aki véleményt ír!
Véleményt írok
Miért érdemes tőlünk vásárolni?

SZAKÉRTELEM - A szivattyúk kiválasztásához érteni kell!

Egy hozzáértő módon megválasztott szivattyúval annak élettartama alatt akár a teljes szivattyú árát is megspórolhatja a villanyszámlán. Felkészült szakembereink immáron 27 éve adnak tanácsot ügyfeleinknek

RAKTÁRKÉSZLET - A raktári termék nálunk tényleg azonnal elérhető!

Mi nem csak egy árjegyzéket közlő webshop vagyunk hanem saját raktárkészletünkön több ezer termékkel rendelkezünk, a boltunkban akár meg is tekintheti az önt érdeklő terméket

NYUGALOM - 14 nap biztonságot nyújtunk!

Fogyasztóként a megrendelt terméket 14 napon belül indoklás nélkül visszaküldheti

MEGBÍZHATÓSÁG - Átláthatóak vagyunk!

Több mint húsz éve ugyanott van a boltunk... Minden vásárlásról hivatalos ÁFA-s számlát adunk, a termékhez mellékeljük a magyar gyártói képviselet által biztosított garanciajegyet!

EREDETI - Nálunk az eredetit veheti meg!

Kizárólag magyarországi szervizháttérrel rendelkező hivatalos képviselettől származó termékeket forgalmazunk. Ha tőlünk vásárol ennek minden előnyét élvezheti:

- rendezett, a gyártó képviselete által nyújtott garanciális háttér

- a tőlünk vásárolt termékkel nem fogják elküldeni a garanciális szervizek, mi kizárólag eredeti forrásból érkező minőségi termékeket árulunk, amelyekkel hosszú ideig elégedett lesz

Vásárlói fiók
  • Belépés
  • Regisztráció
  • Profilom
  • Kosár
  • Kedvenceim
Információk
  • Általános szerződési feltételek
  • Adatkezelési tájékoztató
  • Fizetés
  • Szállítás
  • Elérhetőségek
  • Rólunk
Ügyfélszolgálat
  • info@szivattyuk.hu
  • +36-1-222-0238
  • 1143 Budapest, Hungária krt. 105.
szivattyuk.hu
sixpayment
Árukereső, a hiteles vásárlási kalauz
  • Gyártók és Márkák 32363
  • Ásott Kút Szivattyú 100
  • Benzinmotoros Szivattyú 14
  • Búvárszivattyú 1698
  • Házi Vízmű 244
  • Házkörüli szivattyú 357
  • Inverteres szivattyú 18
  • Ipari szivattyú 17173
  • Kerti Önfelszívó Szivattyú 452
  • Keringető Szivattyú 1783
  • Medence Vízforgató 86
  • Szennyvíz szivattyú 2385
  • Tartozék, Alkatrész 1160
  • AKCIÓ!
  • Blog
  • Online Ügyfélszolgálat
  • Meghibásodás esetén
Pénznem váltás
Belépés
Regisztráció
Adatkezelési beállítások
Weboldalunk az alapvető működéshez szükséges cookie-kat használ. Szélesebb körű funkcionalitáshoz (marketing, statisztika, személyre szabás) egyéb cookie-kat engedélyezhet. Részletesebb információkat az Adatkezelési tájékoztatóban talál.