A bolti kiszolgálás ezen a héten szünetel, az online leadott rendelések átvétele zavartalan.

Telefonos ügyfélszolgálatunk fokozottan leterhelt, kérjük ha teheti érdeklődjön e-mail útján. KÉRDÉSE VAN? Tegye fel ITT! »
szivattyuk.hu
Kategóriák
szivattyuk.hu
  • Kategóriák
    • Gyártók és Márkák 32363
    • Ásott Kút Szivattyú 100
    • Benzinmotoros Szivattyú 14
    • Búvárszivattyú 1698
    • Házi Vízmű 244
    • Házkörüli szivattyú 357
    • Inverteres szivattyú 18
    • Ipari szivattyú 17173
    • Kerti Önfelszívó Szivattyú 452
    • Keringető Szivattyú 1783
    • Medence Vízforgató 86
    • Szennyvíz szivattyú 2385
    • Tartozék, Alkatrész 1160
  • AKCIÓ!
  • Blog
  • Online Ügyfélszolgálat
  • Meghibásodás esetén
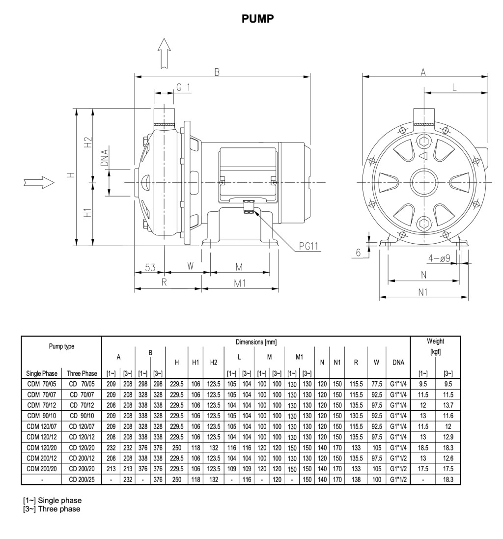
EBARA CDM/E 200/12
EBARA CDM/E 200/12
314 300 Ft
  1. EBARA CD
  1. Gyártók és Márkák
  2. EBARA
  3. EBARA CD

EBARA CDM/E 200/12

Cikkszám: 
EBR1990100000E
EBARA CDM/E 200/12
EBARA CDM/E 200/12
EBARA CDM/E 200/12
EBARA CDM/E 200/12
EBARA CDM/E 200/12
EBARA CDM/E 200/12
Várható szállítási határidő: 2-15 nap
314 300 Ft

Legyen Öné ez a kiváló minőségű EBARA centrifugál szivattyú

Tápfeszültség:
230 V
Szállítókapacitás:
250 l/min
Emelőmagasság:
23 m
Teljesítmény:
1 100 W
Csatlakozó (nyomóoldali):
1"
Csatlakozó (szívóoldali):
1 ½”
Folyadék hőmérséklet:
-5 °C és +120 °C között
Hasonló kategória:
EBARA Ipari szivattyú Centrifugál Szivattyú Tisztavíz Szivattyú
Várható szállítási határidő: 2-15 nap
  • Termékleírás
  • Adatok
  • Vélemények
  • Miért érdemes tőlünk vásárolni?
Termékleírás

EBARA CDM/E 200/12 termékleírás

Rozsdamentes megbízhatóság, maximális hatékonyság

Az EBARA CDM/E 200/12 egy prémium minőségű, egyfokozatú centrifugálszivattyú, amely teljes egészében AISI 304 rozsdamentes acélból készül. Modern kialakításának, kiváló hatásfokának és rendkívüli korrózióállóságának köszönhetően ideális választás mind háztartási, mind kisebb ipari felhasználásra. A kompakt méret és a hidroformázott alkatrészek révén a szivattyú nemcsak tartós és hatékony, hanem szűk, nehezen hozzáférhető helyekre is könnyedén telepíthető.

EBARA CDM/E 200/12 műszaki információk

A szivattyú szíve egy 2 pólusú, önszellőztető aszinkron motor, amely belső szellőzéssel működik. A motor IP55-ös védettségi szinttel és F osztályú szigeteléssel rendelkezik, így megbízható működést biztosít még mostoha körülmények között is. A CD sorozat kiemelkedő sajátossága, hogy főbb szerkezeti elemei – mint a szivattyúház, a motor tartószerkezete és a járókerék – hidroformázási eljárással készülnek. Ez az eljárás akár 1200 bar nyomású vízsegítségével alakítja ki az alkatrészeket, hegesztés nélkül. Ennek köszönhetően az alkatrészek tökéletesen sima felületűek, kiváló futási tulajdonságokkal rendelkeznek, és nincs gyenge pontot jelentő hegesztési varrat.

A szivattyú több mint 80%-os hatásfokkal működik, rendkívül alacsony szivárgással és hosszú élettartammal. A maximális üzemi nyomás 8 bar, míg a szállított folyadék hőmérséklete a kiválasztott mechanikus tömítéstől függően -5°C-tól akár +90°C-ig terjedhet. A tengely AISI 303 rozsdamentes acélból készül, a szivattyúhoz különböző tömítési változatok (pl. kerámia/grafit, szilícium-karbid vagy volfrám-karbid) választhatók az alkalmazási körülményekhez igazodva.

EBARA CDM/E 200/12 alkalmazása

Az EBARA CDM/E 200/12 szivattyú ideálisan alkalmazható minden olyan esetben, ahol tiszta, nem agresszív víz szállításaszükséges. Kiváló választás háztartási nyomásfokozáshoz, például zuhanyzók, mosógépek, öntözőrendszerek vízellátásához. Emellett tökéletes megoldás kis kertek öntözésére, különösen olyan helyeken, ahol fontos a megbízhatóság és a korrózióállóság. Mosórendszerekben, például háztartási vagy ipari autómosókban is jól alkalmazható, valamint vízkezelő berendezésekben, például vízlágyítókban vagy szűrőrendszerekben, ahol a szivattyú hosszú távon is üzembiztos működést nyújt. Az EBARA CDM/E 200/12 gyakran kerül alkalmazásra hűtőtornyokban és egyéb hűtési rendszerekben is, köszönhetően a rozsdamentes acél alkatrészek magas hőmérsékleti és kémiai ellenállóságának. Végül, a szivattyú nedves, sós páratartalmú környezetben is kiválóan működik, így ideális tengerparti telepítésekhez vagy párás ipari csarnokokban történő használatra is.

A gyártóról

Az EBARA vállalat kiemelkedik abban, hogy innovatív gyártási megoldásokat – mint pl a hidroformázás – alkalmaz a szivattyúk hatékonyságának és megbízhatóságának növelése érdekében. A CD sorozat tökéletes példája ennek a filozófiának: kiváló minőségű anyaghasználat, energiahatékonyság és hosszú élettartam jellemzi. Az EBARA célja, hogy minden terméke hozzájáruljon a fenntartható és biztonságos vízellátáshoz, legyen szó háztartásokról vagy professzionális rendszerekről.

Adatok
Szivattyúház anyaga:
1.4301 (AISI 304)
Tengely anyaga:
1.4301 (AISI 304)
Tengelytömítés:
Szén – kerámia – NBR
Túláram védelem:
Beépített
Tömeg:
14,5 kg/db
Vélemények
Legyen Ön az első, aki véleményt ír!
Véleményt írok
Miért érdemes tőlünk vásárolni?

SZAKÉRTELEM - A szivattyúk kiválasztásához érteni kell!

Egy hozzáértő módon megválasztott szivattyúval annak élettartama alatt akár a teljes szivattyú árát is megspórolhatja a villanyszámlán. Felkészült szakembereink immáron 27 éve adnak tanácsot ügyfeleinknek

RAKTÁRKÉSZLET - A raktári termék nálunk tényleg azonnal elérhető!

Mi nem csak egy árjegyzéket közlő webshop vagyunk hanem saját raktárkészletünkön több ezer termékkel rendelkezünk, a boltunkban akár meg is tekintheti az önt érdeklő terméket

NYUGALOM - 14 nap biztonságot nyújtunk!

Fogyasztóként a megrendelt terméket 14 napon belül indoklás nélkül visszaküldheti

MEGBÍZHATÓSÁG - Átláthatóak vagyunk!

Több mint húsz éve ugyanott van a boltunk... Minden vásárlásról hivatalos ÁFA-s számlát adunk, a termékhez mellékeljük a magyar gyártói képviselet által biztosított garanciajegyet!

EREDETI - Nálunk az eredetit veheti meg!

Kizárólag magyarországi szervizháttérrel rendelkező hivatalos képviselettől származó termékeket forgalmazunk. Ha tőlünk vásárol ennek minden előnyét élvezheti:

- rendezett, a gyártó képviselete által nyújtott garanciális háttér

- a tőlünk vásárolt termékkel nem fogják elküldeni a garanciális szervizek, mi kizárólag eredeti forrásból érkező minőségi termékeket árulunk, amelyekkel hosszú ideig elégedett lesz

Vásárlói fiók
  • Belépés
  • Regisztráció
  • Profilom
  • Kosár
  • Kedvenceim
Információk
  • Általános szerződési feltételek
  • Adatkezelési tájékoztató
  • Fizetés
  • Szállítás
  • Elérhetőségek
  • Rólunk
Ügyfélszolgálat
  • info@szivattyuk.hu
  • +36-1-222-0238
  • 1143 Budapest, Hungária krt. 105.
szivattyuk.hu
sixpayment
Árukereső, a hiteles vásárlási kalauz
  • Gyártók és Márkák 32363
  • Ásott Kút Szivattyú 100
  • Benzinmotoros Szivattyú 14
  • Búvárszivattyú 1698
  • Házi Vízmű 244
  • Házkörüli szivattyú 357
  • Inverteres szivattyú 18
  • Ipari szivattyú 17173
  • Kerti Önfelszívó Szivattyú 452
  • Keringető Szivattyú 1783
  • Medence Vízforgató 86
  • Szennyvíz szivattyú 2385
  • Tartozék, Alkatrész 1160
  • AKCIÓ!
  • Blog
  • Online Ügyfélszolgálat
  • Meghibásodás esetén
Pénznem váltás
Belépés
Regisztráció
Adatkezelési beállítások
Weboldalunk az alapvető működéshez szükséges cookie-kat használ. Szélesebb körű funkcionalitáshoz (marketing, statisztika, személyre szabás) egyéb cookie-kat engedélyezhet. Részletesebb információkat az Adatkezelési tájékoztatóban talál.